Sears Repair Snowblower . Craftsman 88396 30" 357cc DualStage Snowblower with 4Way Chute Control Schedule NOW 802-552-4364 for same/next day repair service on your snow blower Schedule NOW 802-613-1926 for same/next day repair service on your Craftsman mower or snow blower
Craftsman 4 Hp Snowblower Manual from www.usermanuals.tech
And Sears PartsDirect has more snowblower DIY repair help for you, including troubleshooting tips and maintenance advice getting a very old sears snowblower running again and ready for a big storm
Craftsman 4 Hp Snowblower Manual Our DIY repair guides show you how to complete common snowblower repairs with easy-to-follow, step-by-step instructions Act now! We provide urgent maintenance services like spark plug replacement, belt. Get all your home improvement needs taken care of the right way with Sears Repair, Parts & Home Improvement Services! From small repairs to complete installation, our professionals provide quality service
Source: www.youtube.com old sears craftsman snowblower repair YouTube , Is your snowblower not running properly? Find free snowblower repair guides at Sears PartsDirect with step-by-step instructions to help diagnose your problem and fix your snowblower fast. No matter where you bought it - we can fix it now!
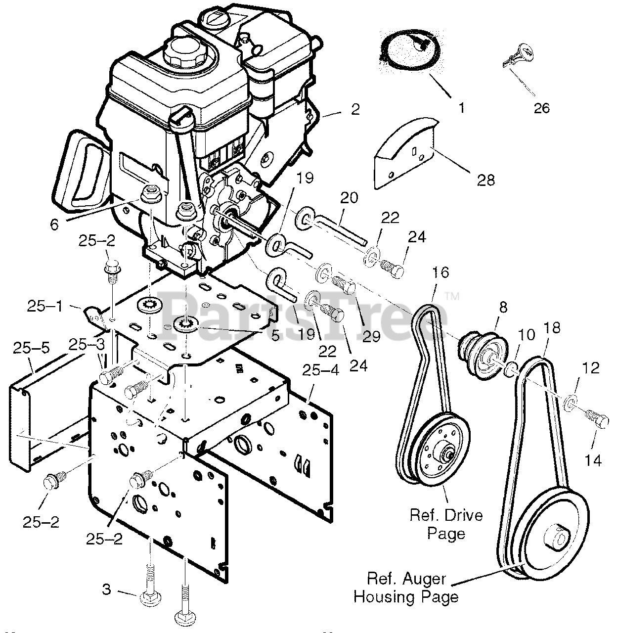
Source: www.partstree.com Craftsman 247.886910 (31AM53TF799) Craftsman Snow Thrower (2009 , Search your model to find a complete list of replacement parts, then order the part you need Get all your home improvement needs taken care of the right way with Sears Repair, Parts & Home Improvement Services! From small repairs to complete installation, our professionals provide quality service
Source: ydylsxvax.pages.dev Sears Snowblower Parts Diagram , No matter where you bought it - we can fix it now! And Sears PartsDirect has more snowblower DIY repair help for you, including troubleshooting tips and maintenance advice
Source: www.sears.com Craftsman 179CC 22" DualStage Snowblower 88170 Sears , Our DIY snowblower troubleshooting help gives you a clear path to solutions for major failures Proper maintenance is crucial to ensure your machine runs efficiently and lasts through the harsh winter months
Source: www.partstree.com Craftsman 536.881650 Craftsman 24" Snow Thrower (2005) (Sears) Drive , Don't wait until the first big snowstorm to find out your snow blower isn't ready for action Proper maintenance is crucial to ensure your machine runs efficiently and lasts through the harsh winter months
Source: www.youtube.com Snowblower Carburetor repair!! YouTube , Act now! We provide urgent maintenance services like spark plug replacement, belt. Proper maintenance is crucial to ensure your machine runs efficiently and lasts through the harsh winter months
Source: www.partstree.com Craftsman 536.889252 Craftsman 33" Snow Thrower (2004) (Sears) Engine , Get all your home improvement needs taken care of the right way with Sears Repair, Parts & Home Improvement Services! From small repairs to complete installation, our professionals provide quality service Our DIY snowblower troubleshooting help gives you a clear path to solutions for major failures
Source: reikilvhmd.pages.dev Sears Snowblower Parts Diagram , No matter where you bought it - we can fix it now! Get all your home improvement needs taken care of the right way with Sears Repair, Parts & Home Improvement Services! From small repairs to complete installation, our professionals provide quality service
Source: www.searspartsdirect.com Snowblower repair guides and videos , Is your snowblower not running properly? Find free snowblower repair guides at Sears PartsDirect with step-by-step instructions to help diagnose your problem and fix your snowblower fast. To find the owner's manual or a complete list of replacement parts for your snowblower, search for your model number.
Source: www.usermanuals.tech Craftsman 4 Hp Snowblower Manual , Schedule NOW 802-552-4364 for same/next day repair service on your Craftsman snowblower Our DIY snowblower troubleshooting help gives you a clear path to solutions for major failures
Source: resolutionsforyou.com Sears craftsman snowblower parts diagram , Schedule NOW 802-552-4364 for same/next day repair service on your snow blower getting a very old sears snowblower running again and ready for a big storm
Source: renovyzengr.pages.dev Sears Craftsman Snow Blower Parts , getting a very old sears snowblower running again and ready for a big storm Our DIY snowblower troubleshooting help gives you a clear path to solutions for major failures
Source: recymaxhmw.pages.dev Sears Craftsman Snowblower Model 536 Manual , Snowblower Repair: How to Fix & Troubleshoot Fix your Snowblower with expert guides, troubleshooting tips, and step-by-step repair help. Sears PartsDirect has replacement parts for major snowblower brands such as Craftsman, Ariens, Poulan, Snapper and Husqvarna.
Source: www.sears.com Craftsman 88396 30" 357cc DualStage Snowblower with 4Way Chute Control , Snowblower Repair: How to Fix & Troubleshoot Fix your Snowblower with expert guides, troubleshooting tips, and step-by-step repair help. Get all your home improvement needs taken care of the right way with Sears Repair, Parts & Home Improvement Services! From small repairs to complete installation, our professionals provide quality service
Source: www.liveauctionworld.com SEARS CRAFTSMAN 6 SPEED SNOWBLOWER , Snowblower Repair: How to Fix & Troubleshoot Fix your Snowblower with expert guides, troubleshooting tips, and step-by-step repair help. To find the owner's manual or a complete list of replacement parts for your snowblower, search for your model number.
SEARS CRAFTSMAN 6 SPEED SNOWBLOWER . Our DIY snowblower troubleshooting help gives you a clear path to solutions for major failures Don't wait until the first big snowstorm to find out your snow blower isn't ready for action
AgriFab 450491 snowblower attachment parts Sears PartsDirect . getting a very old sears snowblower running again and ready for a big storm Our DIY repair guides show you how to complete common snowblower repairs with easy-to-follow, step-by-step instructions